Carbon Steel ANSI600lb Flange Automatic Ball ValveProduct DescriptionFlange electric ball valve is a rotating ball valve with the angle range from 0 degree to 90 degree, which presents good seal performance, large flow capacity, small flow resistance coefficient, simple structure, convenient mainten......
Flange electric ball valve is a rotating ball valve with the angle range from 0 degree to 90 degree, which presents good seal performance, large flow capacity, small flow resistance coefficient, simple structure, convenient maintenance, long service life.| Power supply | AC220V AV380V DC24V |
| Valve size | DN15-200 |
| Medium Temp | from -20°C to +350°C (+200°CSpecial seal). |
| Working pressure | PN16~PN100 |
| Input signal | 4-20mA |
| Output signal | 4-20mA |
| Connection | Wafer |
| Body material | A105,F304,F316,WCB,FZG1Cr18Ni9Ti,ZG1Cr18Ni12Mo2Ti,CF8,CF8M,CF3M |
| Seat material | PTFE(room temperature),Specialty PPL(high temperature),Metal seal(high temperature) |
| Leakage | complied with the standards of ANSIB16.104 5 grade |
| Seal type | Springiness seal, digital polystyrene seal of high temperature resistance, hard alloy seal and industrial ceramics seal |
| Applicable medium | Water, oil, nitric acid, acetic acid, viscous liquid, slurry , strong oxidizing medium |
| Protection levels | IP67 |
| Manufacture standard | JB/T8692-1998 |
| Design standards | GB12237-89 AP16D |
| Flange standards | JB79 GB9113 ANSI B16.5 JIS B2212 |
| Structure length standards | GB1221-89 |
| Inspection standards | JB/T 9092 API598 |

DN(mm) 1.6Mpa | L | D | K | D1 | n-Φd | b | f | H1 | H2 | W1 | W2 | Weight |
15 | 130 | 95 | 65 | 46 | 4-Φ14 | 14 | 2 | 250 | 50 | 196 | 145 | |
20 | 140 | 105 | 75 | 56 | 4-Φ14 | 16 | 2 | 255 | 55 | 196 | 145 | |
25 | 150 | 115 | 85 | 65 | 4-Φ14 | 16 | 2 | 260 | 60 | 196 | 145 | |
32 | 165 | 135 | 100 | 76 | 4-Φ18 | 18 | 3 | 270 | 70 | 196 | 145 | |
40 | 180 | 145 | 110 | 84 | 4-Φ18 | 18 | 3 | 275 | 75 | 196 | 145 | |
50 | 200 | 160 | 125 | 99 | 4-Φ18 | 20 | 3 | 285 | 85 | 196 | 145 | |
65 | 220 | 180 | 145 | 118 | 4-Φ18 | 20 | 3 | 350 | 95 | 255 | 184 | |
80 | 250 | 195 | 160 | 132 | 8-Φ18 | 20 | 3 | 360 | 100 | 255 | 184 | |
100 | 280 | 215 | 180 | 156 | 8-Φ18 | 22 | 3 | 370 | 110 | 255 | 184 | |
125 | 320 | 245 | 210 | 184 | 8-Φ18 | 22 | 3 | 380 | 125 | 255 | 184 | |
150 | 360 | 280 | 240 | 211 | 8-Φ22 | 24 | 3 | 390 | 140 | 255 | 184 | |
200 | 400 | 335 | 295 | 266 | 12-Φ22 | 24 | 3 | 420 | 170 | 255 | 184 |
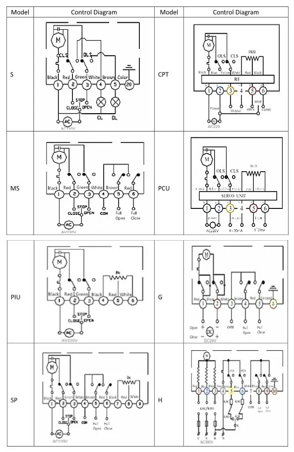
3.Control Diagram
| Model | Circuit | Model | Circuit |
| S | ON/OFF,no output signal | CPT | ON/OFF,output 4~20mA signal |
| MS | ON/OFF,output passive contact signal | PCU | Regulation,output 4~20mA signal |
| PIU | ON/OFF,output 0~1000Ω signal | G | ON/OFF,output passive contact signal |
| SP | ON/OFF,middle position control | H | ON/OFF,output passive contact signa |
Packing&Shipping
1.Packing: inner with bubble wrap,outer with cardboard box and wooden case.
2.Transportation:by sea,by air,by train.
Our Services
1.Professional consultation
2.24 hours response after sale.
3.One year warranty.
4.Safe packing for shipment.
5.Welcome sample order.
Company Introduction
Wuhan Grat Control Valve is a professional valve manufacturer established in 2005.It is specialized in researching and developing various automatic valves for industrial automation and on-site implimentation products.
In 10 year development,Grat has obtained 9 patents like small flow control valve and potentiometer position device,and do business with more than 1000 companies all over the world.Some of them are world famous enterprises such as Dunham-bush,Grundfos,Johnson control and Hitachi,ect.
According to ISO9001:2008 quality management system,Grat strictly controls the product quality and the whole production process.In 2015,Grat got CE certificates and passed successfully EMC tests and CNAS 100000 times lifetime tests.
With the ERP and CRM systems applied in management,they enhance the resource and information level and improve the ability of customer relationship.High quality and good service are our advantages to win the market.
Certificates & Test reports
Application
304 Stainless Steel Ball Valve Internal Thread Two Piece Ball Valve Water Valve Tap Water Switch 4 Minutes 6 Minutes Internal Wire Direct
Hikelok Ultra-High Pressure 20000 Psig Stainless Steel Marine Subsea Ball Valve
HIP Type Stainless Steel Ultra-High Pressure 10000 Psi 20000 Psi Ball Valve
Hikelok Stainless Steel 20000 Psi Subsea Ball Valve Sbv
Hikelok 20000 Psig Stainless Steel Ultrahigh Pressure Ball Valves
Stainless Steel Low Temperature Subsea Ball Valve