Electromagnetic gas valve solenoid valve for combustion equipmentsProduct DescriptionCombined regulator and safety shut-off valves Two-stage functionMB-ZRD(LE) 405 - 412 B01The GasMultiBloc®integrates filter, regulator, valves and pressure switches in one compact fitting.- Dirt trap: Fin......
Electromagnetic gas valve solenoid valve for combustion equipments
Combined regulator and safety shut-off valves
Two-stage function
MB-ZRD(LE) 405 - 412 B01
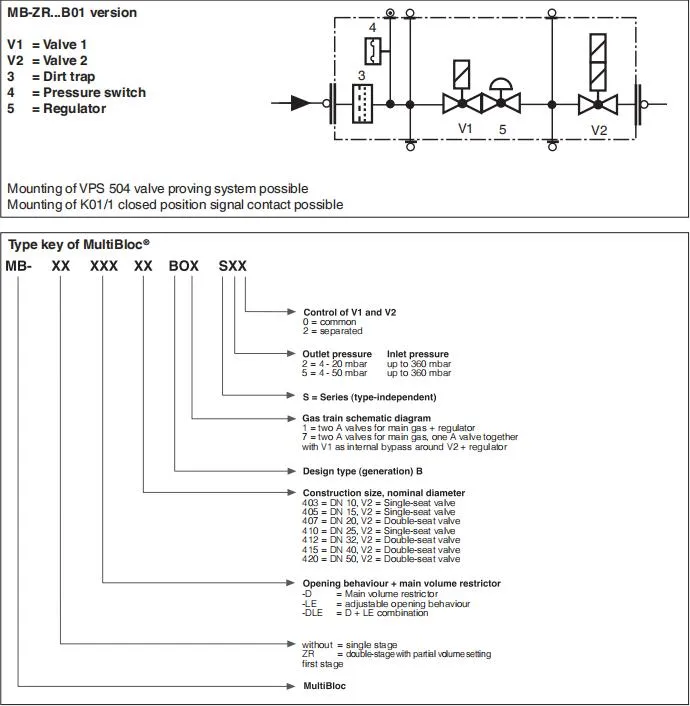
The GasMultiBloc®integrates filter, regulator, valves and pressure switches in one compact fitting.
- Dirt trap: Fine-mesh sieve
- One regulator and two main valves: B01
- One one-stage valve and one two-stage valve
- One valve is fast opening, one valve is slow or fast opening
- Solenoid valves up to 360 mbar (36 kPa) as per DIN EN 161 Class A Group 2
- Sensitive setting of output pressure by proportional regulator as per DIN EN 88 Class A Group 2
- High flow rates with low pressure drop
- DC solenoid drive interference degree N
- Main volume restrictor and partial vol- ume restrictor at valve V2
- Hydraulic opening delay
- Flange connections with pipe threads as per ISO 7/1
- Simple mounting, compact, light-weight
The modular system permits individual solutions by using external ignition gas tap in connection with separately controlled valves, by adding a valve proving system, mini/maxi pressure switches, pressure limit- ers, limit switch and closing stroke limiter at valve V2, regulator blocking for liquid gas applications.
Application
The modular system permits individual solutions in gas safety and regulator engi- neering. Suitable for gases of families 1, 2, 3 and other neutral gaseous media.
Approvals
EU type testing certificate as per:
• EU-Gas Appliances Regulation
• EU-Pressure Equipment Directive
Approvals in other important gas consum- ing countries.








Port | Qingdao/China |
MOQ | Any quantity is available |
Delivery Time | For sample orders, 2-5 days after receiving payment; for bulk order larger than 10 pieces, 7-15days after receiving initial payment, based on different item size. |
| Payment | T/T .Western Union and Paypal. |

Qingdao Jinil heat energy equipment Co., Ltd. specializes in manufacture,sales,maintenance and technical service development of burners,accessories and boilers.The company has devoted to manufacture sales,customer service and technical innovation of burner industry for many years.We are agent of hundreds of famous burner brand as well as accessories at home and abroad.Our products are widely used in several kinds of industries and machinery,such as civilian boilers,periochemicals,food,metal processing, road machinery,glass enamel and paint decoration.
Our company concerns quality, reputation and development of products. We provide the most suitable heat products with the promise of "perfect combination of quality and service", The company relies on prefect customer service system,strong technology support, and good team of engineers to satisfy customer's demands.We are making great efforts to provide the best service to our customers.Our company whose management idea is honesty,applies prodicient knowledge, strong team-work associated with adnanced technology of USA and Eruope,has been in heat industry for more than ten years .We have successfully opened branches in Jinan,Dalian,Beijing,Tianjin,Shanghai and Shenyang.The staff of the company welcome customers in various industries to guide and negotiate business.Let's make progress together with each other.


1. We put your order into our tight production schedule, ensure you puntual delivery time.
2. Stable supplying ability.We can offer small quantily.
3. We can offer you best price.Factory price.
4. Do packaging and brand as your requirement.We can offer fast delivery
5,We are professional manufacture. We can offer you good quality
6. We deal with your compains within 24 hours.
Q: How long is your delivery time?
A: For sample orders, 2-5 days after receiving payment; for bulk order larger than 10 pieces, 7-15days after receiving initial payment, based on different item size.
Q: What is your terms of payment ?
A: T/T .Western Union and Paypal.
If you have another question, please feel free to contact us.

Excavator Parts E320b E320c E320d E325c Solenoid Valve 121- 1491 1211491 Kwe5K-31/G24da30
High Performance Solenoid Valve for Sk130/260-8 Sk200/300-8 Sk350LC-8
Carter Excavator Cat320 320b 320c330c Pilot Safety Lock Solenoid Valve Travel Solenoid Valve Accessories121- 1491
Hydraulic Main Pump Solenoid Valve for PC200- 7 702-21-55701
Excavator E320b E320c E320d E325c Solenoid Valve121- 1491 Kwe5K-31/G24da30
Carterpillar Excavator 336D Hydraulic Pump Safety Lock Solenoid Valve 121-1490