Ductile iron foot valve with stainless steel screen vertical type check valve
DESCRIPTION:1.size:DN50-DN600;2''-24''
2.Medium:water
3.Standard:EN12334/BS5153/MSS SP-71/AWWA C508
4.Pressure:CLASS 125-300/PN10-25/200-300PSI
5.Material:CI,DI
6.Type:wafer, spring return TECHNICAL REQUIREMENT
1. Working pressure: 1.0/1.6MPa
2. Working temperature:
NBR: 0ºC~80ºC
EPDM: -10ºC~120ºC
3. Flange standard: EN1092-2 PN10/16
4. Testing: DIN3230, API598
5. Medium: Fresh water, sea water, food, all kinds of oil etc.
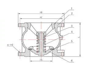
| NO. | PART | MATERIAL |  |
| 1 | Guide | GGG40 |
| 2 | Body | GG25/GGG40 |
| 3 | Sleeve | PTFE |
| 4 | Spring | Stainless steel |
| 5 | Seat ring | NBR/EPDM |
| 6 | Disc | GGG40+Brass |






FAQ
1.Can I have a sample order for valve?
A: Definitely Yes.We welcome sample order to test and check quality. Mixed samples are acceptable.
2. Can you OEM or ODM?
A:Yes, we have a great research & development team. The products can be made according to your request.
3. Can you provide the relevant documentation and certificate?
A:Yes, we can provide you with the documentation and certificate you need ,IS09001:2000 international quality system certification,(CE)certification of the European Community, Det Norske Veritas (DNV) factory certification, Lloyd's Register (LR) factory certification, China Classification Society (CCS) quality system certification and the FM and UL certification of the US, Bureau Veritas(BV) ,American Bureau of Shipping(ABS) etc.Of course we can also provide you the test Report; Certificate of Material Analysis; Certificate of Origin; and other export documents which required.
4.Can you do the design for us?
A:yes.Please send us high resolutionimages,your logo and other materials needed . We will send you finished files for confirmation.
5.How to proceed an order for valve?
A: Step1 let me know your requirements or application. Step 2 We quote according to your requirements or our suggestions. Step 3 Customer confirms the samples and places deposit for formal order. Step 4 We arrange the prodution.
6.What is your terms of delivery?
A: We accepte EXW,FOB,CIF,etc. You can choose the one which is the most convenient for you.
7.What's the package and how do you ship the goods?
A: Usually is wood pallet as your requst. We usually ship by sea.Airline shipping is also optional.
8. How to deal with after sales ?
A: warranty time : 12 months from the shipment ; and we will be responsible for all the quality problems. Quality control : High quality mold./Raw materials control/Production process quality control/Final inspection/Water testing (no leaking).
9. What is the average lead time?
A:For samples, the delivery time is about 2-5 days. For mass production, the lead time is about 15-60 days after receiving the deposit payment. we can provide production schedule and related photos every two weeks. The lead times become effective when (1) we have received your deposit, and (2) we have your final approval for your products.If our lead times do not work with your deadline, please go over your requirements with your sale. In all cases we will try to accommodate our production plan to your needs.
10. Why choose us?
A:1 Genuine produces with excellent quality and competitive price. 2 Cooperating with the customers all over the world more than 60 countries and regions, and knowing the markets very well. 3.We have been specializing in flow control area for more than 10 years. Everyone can be rest assured working with us. 4 After-Services will be highly-satisfing. Any problems and feedbacks will be answered in a short of time.
11: How can I trust you and your company?
A: We are a verified supplier and creditable company on alibaba, we are focusing on the long term relationship with customers, we have worked with thousands of customers since company built 10 years ago, Including Fortune 500 companies. customers always make highly complimentary remarks.