Product DescriptionOverviewHigh pressure and high temperature gate valves are uniquely designed for demanding conditions in sectors of power plant, refinery, oil & gas ,etc.It has superior ruggedness and assured longevity under maximum pressure rating of CL4500 and working temperature of 600 &am......
Overview
High pressure and high temperature gate valves are uniquely designed for demanding conditions in sectors of power plant, refinery, oil & gas ,etc.
It has superior ruggedness and assured longevity under maximum pressure rating of CL4500 and working temperature of 600 °C.
Features
| Nominal size | 2"~24"(DN50~DN600) |
| Nominal pressure | Class 900~Class 4500(PN160~PN420) |
| Standard: | ASME B16.34 |
| Body material | Carbon steel, Stainless steel, Alloy steel, Duplex stainless steel |
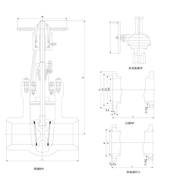
| End connection | RF, BW, RTJ, |
| Operation | Manual, Pneumatic, Electric, Hydraulic |




1.Q:Are you are a trading company or manufacturer?
A:We are a manufacturer with 7000-sqm factory and 100 employees.
2.Q: Can you provide the assembly drawing for confirmation ?
A: Yes, we can give the relavant drawing within 24 hours.
3.Q: Can you do non destructive test for valve components ?
A: Yes, we can perform radiographic testing, penetration testing, ultrasonic testing, magnetic particle testing, etc
4.Q: How can I vist you when I am in China?
A: We are near the Wenzhou Airport. If you take a plane, it takes 2 hours to reach our factory from Shanghai, 2 hours from Guangzhou, 3 hours from Beijing.
5.Q: Can we take sample for quality check?
A: Definitely. You can advise the model number and we will prepare the sample within 7 days.
6.Q: How can I become your distributor or agent?
A: You can send your company profile and reference list to our sales manager.
7.Q: Can you help with site maintenance and commissioning?
A: Yes, we are glad to offer our assistance whenever you need it. We can send our after sales team to address the issue within 14 days



